モータ制御


モータ制御  モータドライバIC TA7291P  PWM制御

ヒダピオ学習回路を使ったモータ制御

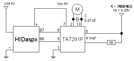
ここでは、モータを正転、反転させるUSB-IOモータ制御回路について紹介します。

◆回路図


◆実体図

 ●ヒダピオ学習回路

 

 ●プリント基板版ヒダピオ学習回路

HIDaspxの「+」印とブレッドボード赤のジャンパー線を目安に接続する。

◆動作確認
 「ヒダピオ」の「基礎実験」を使って、ポートB6、B7をonにして、モータの回転がどうなるかを確かめる。 
B6ポートB7ポート動き
offoffストップ
onoff正転
offon逆転
ononブレーキ


モータドライバIC TA7291P について

 ここでは入手しやすく、ブレッドボードでも使いやすい モータドライバIC TA7291P を使用する。
これを使うと、1.5〜20Vの範囲のモータを、ストップ、正転、反転、ブレーキおよび回転数の変更が可能となる。




Vcc:ドライバIC が動作するのに必要な電源。
   ここでは HIDaspx から取るので 5V になる。
Vs: モータの電源をつなぐ。
Vref:モータへの電圧を調整し、回転数を変化させるときに使う。
  ・この機能を使用しないときは、このピンはモータ電源 Vs と3〜10kΩの抵抗でつなげておく。
  ・落とした電圧分が熱になるため、ICが発熱する。
Out1,Out2:トランジスタによるスイッチイングで、0.9〜1.2Vくらいの電圧降下がある。
  ・VSの電圧から1.9〜2.3V低い電圧がモータの駆動電圧となる。
  (例)モータの電源を3Vにしている場合、モータに加わる電圧は0.7V〜1.1Vほどになる。
     モータに3Vの電圧を加えるためには、乾電池を3本直列にするようにする。

 ドライバICの電源はマイコンの電源からとってもよいが、
モータ電源は電流が多いので、必ず別電源(乾電池など)からとるようにする。


◆入力値とモータの動き



モータの回転数を制御
 ◆方法
  ●PWM:制御端子の単位時間におけるOn:Off時間比でモーターの回転数を決めるモード
  ●REF:Vref にかかる電圧がモーターの回転数を決めるモード。

 ◆PWMで回転数を落とす

  ●PWMとは
・スイッチon/offの比率(デューティー比という)を変化させる手法。


・Pulse Width Modulationの略、パルス幅変調(パルスはばへんちょう)の意。

 ◆「JA制御ヒダピオ」でのプログラム例

普通のプログラム サブルーチンを使ったプログラム 

ddrB=255
Do
   portB=0,1
   portB=128,1
Loop
End

ddrB=255
Do
   Gosub teisoku
Loop
End

Sub teisoku
   portB=0,1
   portB=128,1
Return