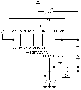
LCDを使った電光掲示板 ■作品例 ■回路図 SW1-3を使って、8パターンの表示ができるようにする。10kΩはプルアップ抵抗 半固定抵抗器10kΩで、コントラストの調整をする。 ■ブレッドボードの配置図 10kΩはプルアップ抵抗。 ※SC1602Bの配置図 良く似た製品の中には、VDDとVSSが逆の配置の場合があるので注意する。 ■プログラム Cls Lcd "Hello" End Cls…画面を消す Lcd "Hellow"…LCDに Hello の文字を表示する プログラム例
SW1-3を使って、8パターンの表示ができるようにする。10kΩはプルアップ抵抗 半固定抵抗器10kΩで、コントラストの調整をする。
10kΩはプルアップ抵抗。 ※SC1602Bの配置図 良く似た製品の中には、VDDとVSSが逆の配置の場合があるので注意する。
Cls Lcd "Hello" End Cls…画面を消す Lcd "Hellow"…LCDに Hello の文字を表示する プログラム例
Cls Lcd "Hello" End