7セグメントLEDの点滅実験
ヒダピオ学習回路+デジタル数字ボード;
■使用方法
◆0〜9の数字の点灯
●数字「0」の点灯
ddrB=255
Do
portB=63
Loop
end
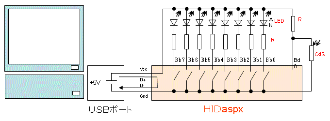
■回路図
LED用電流制限抵抗RはLEDに合わせて変更すること(330〜1kΩなど)
CdS用のプルアップ抵抗Rは、可変抵抗器20kΩ程にすると、微妙な調整が可能
■いろいろなヒダピオ学習回路
![]()
プリント基板版 ブレッドボード版
■数字とポートの出力
![]()
数字 p0 p1 p2 p3 p4 p5 p6 p7 0 1 1 1 1 1 1 0 0 1 0 1 1 0 0 0 0 0 2 1 1 0 1 1 0 1 0 3 1 1 1 1 0 0 1 0 4 0 1 1 0 0 1 1 0 5 1 0 1 1 0 1 1 0 6 1 0 1 1 1 1 1 0 7 1 1 1 0 0 0 0 0 8 1 1 1 1 1 1 1 0 9 1 1 1 1 0 1 1 0